


产品简介:
2205双相钢截止阀具有很好的抗氯离子应力腐蚀性能及良好抗硫化物应力腐蚀能力。同时具备较高的机械强度,主要成分:22Cr-5.3Ni-3.2Mo-0.16N。双相钢截止阀在石油及天然气工业、海洋工程、化学工业等行业具有广泛的用途。双相钢截止阀已经在石油和天然气工业目中大量使用,绝大部分为2205双相钢截止阀;西气东输工程由于输送天然气介质的腐蚀性强,高压阀门均采用双相钢截止阀。双相钢截止阀采用平面密封和锥面密封两种密封型式,可使用于不同工况的介质要求,具有密封性能稳定,使用寿命长。逆时针转动手轮驱使阀杆带动阀瓣及膈膜迅速上升,打开通道使介质顺利通过。双相钢截止阀阀体是由21%铬,2.5%钼及4.5%镍氮合金构成的。它具有高强度、良好的冲击韧性以及良好的整体和局部的抗应力腐蚀能力。

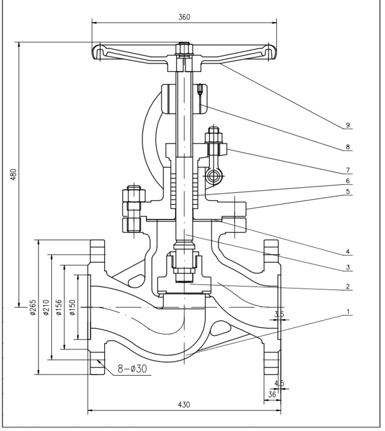
产品主要结构特点:
1、填料压盖为两体式设计,可以避免因压扁而引起的阀杆卡阻。
2、填料为柔性石墨材料,密封性能可靠,用户有要求时可提供填料隔环和注油脂结构。
3、阀门上密封的设计,全开时可保证填料密封可靠,不建议带压更换填料。
4、阀杆螺母采用铝青铜材料,大规格的阀门采用推力轴承的设计、使得阀门开启轻便、灵活。
5、升降式阀杆,阀杆头部与阀瓣接触处,镶嵌了一块硬质不锈钢材料,使得该处不会因为挤压而变形或者因为锈蚀而影响阀瓣动作的灵活性。
2205材质优点:
1. 由于铬含量(22%),钼(3%)及氮含量(0.18%),2205的抗腐蚀特性在大多数环境下优于316L和317L。
2. 双相不锈钢2205合金与316L和317L奥氏体不锈钢相比,2205合金在抗斑蚀及裂隙腐蚀方面的性能更优越,它具有很高的抗腐蚀能力,与奥氏体相比,它的热膨胀系数更低,导热性更高。
3. 双相不锈钢2205合金与奥氏体不锈钢相比,它的耐压强度是其两倍,与316L和317L相比,设计者可以减轻其重量。2205合金特别适用于-50°F/+600°F温度范围内,在严格限制的情况下(尤其对于焊接结构),也可以用于更低的温度。
4. 在高速的机床上,2205 合金的进给率和切削速度和316L 是一样的。如果采用炭化稻,切割速度与316L 相比降低了大约20%,机器设备及其部件的性能在此起着关键性的作用。
5. 不锈钢的双相微观结构有助于提高不锈钢的抗应力腐蚀龟裂能力。在一定的温度、应张力、氧气及氯化物存在的情况下,奥氏体不锈钢会发生氯化物应力腐蚀。由于这些条件不易控制,因此304L、316L和317L的使用在这方面受到限制。
6. 在许多介质中应用最普遍的2205双相不锈钢的耐腐蚀性优于普通的 316L奥氏体不锈钢,而超级双相不锈钢具有极高的耐腐蚀性,在一些介质中,如醋酸,甲酸等甚至可以取代高合金奥氏体不锈钢,乃至耐蚀合金。
产品主要性能参数:
设计标准 | GB/T 12235 | ||||||
压力温度等级 | GB/T 12224 | ||||||
结构长度 | GB/T 12221、GB/T 15188.1 | ||||||
法兰型式尺寸 | GB/T 9113、JB/T 79 | ||||||
对焊接连接 | GB/T 12224 | ||||||
检验与试验 | JB/T 9092、GB/T 13927 | ||||||
公称压力 | PN1.6 | PN2.5 | PN4.0 | PN6.4 | PN10.0 | PN16.0 | |
试验压力 | 壳体试验 | 2.4 | 3.75 | 6.0 | 9.6 | 15.0 | 24.0 |
高压密封 | 1.76 | 2.75 | 4.4 | 7.04 | 11.0 | 17.6 | |
低压密封 | 0.6 | ||||||
适用温度 | -196℃~550℃ | ||||||
适用介质 | 水、油、气及各类腐蚀性介质(不同介质选用不同的材质) | ||||||
产品主要结构参数:
公称压力 |
公称通径 | 主要外形尺寸及连接尺寸(mm) |
重量 | |||||||||
L | D | D1 | D2 | D6 | b-f | f2 | z-φd | H | Do | |||
1.6 | 10 | 130 | 90 | 60 | 40 | / | 14-2 | / | 4-14 | 198 | 120 | 4.7 |
15 | 130 | 95 | 65 | 45 | / | 16-2 | / | 4-14 | 218 | 120 | 5.2 | |
20 | 150 | 105 | 75 | 55 | / | 16-2 | / | 4-14 | 258 | 140 | 7.1 | |
25 | 160 | 115 | 85 | 65 | / | 16-2 | / | 4-14 | 275 | 160 | 7.4 | |
32 | 180 | 135 | 100 | 78 | / | 18-2 | / | 4-18 | 280 | 180 | 8.5 | |
40 | 200 | 145 | 110 | 85 | / | 18-3 | / | 4-18 | 330 | 200 | 12.5 | |
50 | 230 | 160 | 125 | 100 | / | 18-3 | / | 4-18 | 350 | 240 | 14 | |
65 | 290 | 180 | 145 | 120 | / | 18-3 | / | 4-18 | 400 | 280 | 22.58 | |
80 | 340 | 195 | 160 | 135 | / | 20-3 | / | 8-18 | 355 | 280 | 29 | |
100 | 350 | 215 | 180 | 155 | / | 22-3 | / | 8-18 | 415 | 320 | 32.5 | |
咨询:J41W双相钢截止阀