
HQ41X球形止回阀概述:
本厂生产的HQ41X-10/16、HQ44X-10/16型无磨损球形止回阀及HQ45X多球形止回阀,采用橡胶包皮滚球为阀瓣,在介质的作用下,可在阀体内的整体式滑道上作上下左右滚动,从而打开或关闭阀门。消声式关闭,不产生水锤,密封性能好。HQ41X滑道滚球式止回阀体采用全水流通道,流量大,阻力小,水头损失比旋启式小50%。水平或垂直安装均可,可用于冷水、热水、工业及生活用水管网系统中,更适应用潜水排水污泵,介质温度为0~80℃。
主要技术参数:
|
公称压力 |
阀门压力试验 |
阀门结构长度 |
阀门标志 |
工作温度 |
适用介质 |
|
1.0~2.5 |
GB/T13927-92 |
GB/T1221-89 |
GB/T1220-89 |
≤80℃ |
水、油及非腐蚀性液体
|
|
型号 |
公称压力MPa |
试验压力PSMPa |
工作温度℃ |
|
|
壳体 |
密封 |
|||
|
HQ41X-10/16 |
1.0 |
1.5 |
1.1 |
≤80 |
|
1.6 |
2.4 |
1.76 |
||
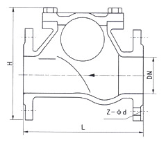
主要外形尺寸:

|
公称通径 |
50 |
65 |
80 |
100 |
125 |
150 |
200 |
250 |
300 |
350 |
|
Lmm |
216 |
241 |
293 |
305 |
381 |
403 |
495 |
622 |
698 |
787 |
|
Hmm |
185 |
210 |
245 |
280 |
335 |
400 |
495 |
600 |
715 |
800 |
|
连接尺寸 |
PN1.0MPa按GB4216.4-84;PN1.6按GB4216.5-84 标准 |
|||||||||
安装示意图:
咨询:HQ41X-16Q球形止回阀