
产品简介:
产品特点:
零件材料:
|
序号 |
零件名称 |
材 质 |
||
|
Z |
C |
D |
||
|
1 |
阀座 |
橡胶 |
橡胶 |
橡胶 |
|
2 |
圆锥销 |
45钢 |
45钢 |
不锈钢 |
|
3 |
蝶板 |
灰铸铁镀硬铬 |
碳钢或不锈钢 |
不锈钢 |
|
4 |
阀体 |
灰铸铁 |
碳钢 |
不锈钢 |
|
5 |
螺柱 |
35钢 |
碳钢 |
不锈钢 |
|
6 |
阀杆 |
45钢 |
不锈钢 |
不锈钢 |
|
7 |
键 Key |
45钢 |
45钢 |
不锈钢 |
|
8 |
衬套 |
铜基粉末冶金 |
铜基粉末冶金 |
铜基粉末冶金 |
|
9 |
O形圈 |
橡胶 |
橡胶 |
橡胶 |
|
10 |
气动装置 |
|||
|
11 |
位置指示器 |
塑料 |
塑料 |
塑料 |

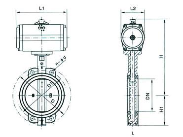
连接尺寸:
|
公称通径 DN |
外形尺寸 |
连接尺寸 |
执行器型号 * |
||||||
|
L |
L1 |
L2 |
H |
H1 |
D |
D1 |
n-φd |
||
|
50 |
43 |
164/214 |
75/91 |
263/291 |
80 |
165 |
125 |
4-φ18 |
GT65/GTE80 |
|
65 |
46 |
164/214 |
75/91 |
277/305 |
89 |
185 |
145 |
4-φ18 |
GT65/GTE80 |
|
80 |
46 |
164/214 |
75/91 |
283/311 |
95 |
200 |
160 |
8-φ18 |
GT65/GTE80 |
|
100 |
52 |
190/246 |
91/101 |
330/340 |
114 |
220 |
180 |
8-φ18 |
GT80/GTE90 |
|
125 |
56 |
210/295 |
101/112 |
353/369 |
127 |
250 |
210 |
8-φ18 |
GT90/GTE100 |
|
150 |
56 |
247/398 |
112/139 |
382/408 |
139 |
285 |
240 |
8-φ22 |
GT100/GTE125 |
|
200 |
60 |
308/478 |
139/176 |
442/493 |
175 |
340 |
295 |
8-φ22 |
GT125/GTE160 |
|
250 |
68 |
378/562 |
176/206 |
525/574 |
203 |
395 |
350 |
12-φ22 |
GT160/GTE190 |
|
300 |
78 |
432/728 |
206/228 |
619/642 |
242 |
445 |
400 |
12-φ22 |
GT190/GTE210 |
|
350 |
78 |
524/928 |
228/275 |
673/720 |
267 |
505 |
460 |
16-φ22 |
GT210/GTE255 |
|
400 |
102 |
524/1033 |
228/324 |
705/800 |
309 |
565 |
515 |
16-φ22 |
GT210/GTE300 |
|
450 |
114 |
648/1129 |
275/380 |
774/880 |
328 |
615 |
565 |
20-φ26 |
GT255/GTE350 |
|
500 |
127 |
715/1430 |
324/425 |
880/905 |
361 |
670 |
620 |
20-φ26 |
GT300/AW20S |
|
600 |
154 |
795/1845 |
380/527 |
1020/1089 |
459 |
780 |
725 |
20-φ30 |
GT350/AW28S |
|
700 |
165 |
795/1845 |
280/527 |
1082/1151 |
520 |
895 |
840 |
24-φ30 |
GT350/AW28S |
|
800 |
190 |
1380/2605 |
527/440 |
1199/1112 |
591 |
1015 |
950 |
24-φ33 |
AW28/AW35S |
咨询:D671X-10P不锈钢气动高温蝶阀